Lựa chọn sen vòi tắm sao cho đúng?
Tính năng vòi sen nóng lạnh TOTO TBG04302VA/DGH108ZR
- Thiết kế hiện đại hài hòa với dòng sản phẩm GA Series
- Thân van bằng đồng thau
- Van đĩa làm bằng sứ chống bám cặn bẩn và khóa nước hoàn toàn
- Bát sen mạ Nickel Chrome
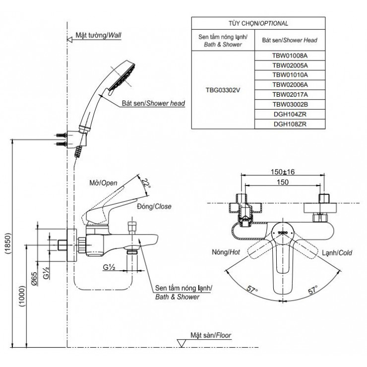
Bản vẽ kỹ thuật vòi sen nóng lạnh TOTO TBG04302VA/DGH108ZR
Có thể kết hợp với lọc nước tổng cho hệ thống nhà giá chỉ từ 2.500.000đ (nhấn vào đây)
Do nguồn nước Việt Nam có tính vùng miền, nguồn nước có chứa nhiều vôi, sắt. Điều này ảnh hưởng rất lớn tuổi thọ của các thiết bị trong nhà tắm. Kèm theo đó là tốn kém đến chi phí chất tẩy rửa và thời gian vệ sinh. Tùy theo tài chính quý khách hàng có thể đầu tư thêm 1 bộ lọc nước tổng.
Lưu ý giúp sử dụng vòi sen
Lắp đặt đúng cách: Đảm bảo rằng nó được cố định chặt với ống nước mà không bị chùng lên hoặc chênh lệch.
Tránh va chạm mạnh: Hạn chế va đập trực tiếp vào sen vòi tắm. Điều này có thể gây hỏng hoặc làm giảm hiệu suất.
Không sử dụng lực lượng quá mức: khi điều chỉnh chế độ phun nước hoặc xoay đầu sen, để tránh làm hỏng cơ cấu bên trong.
Dọn dẹp đúng cách: Làm sạch sen vòi tắm định kỳ để ngăn chặn sự tích tụ của cặn và vi khuẩn. Việc này giúp giữ cho cơ cấu bên trong hoạt động trơn tru và hiệu quả.
Kiểm tra nước: Nếu nước ở khu vực bạn chứa nhiều khoáng chất, cặn, hoặc có chứa hóa chất có thể gây ăn mòn. Hãy xem xét việc lắp đặt bộ lọc nước trước sen để bảo vệ bộ phận bên trong.
Không sử dụng hóa chất mạnh: có thể làm hỏng lớp mạ hoặc chất liệu sen vòi tắm.
Kiểm tra vết thương và hỏng hóc: Kiểm tra thường xuyên để phát hiện vết thương, nứt, hoặc hỏng hóc. Nếu phát hiện vấn đề, hãy sửa chữa hoặc thay thế ngay.
Sử dụng đúng mục đích: Sử dụng sen vòi tắm đúng mục đích, không sử dụng nó như một cái vòi nước để rửa đồ dùng khác ngoài cơ thể.
Bảo quản nơi khô ráo: Nếu có thể, lưu trữ sen vòi tắm ở nơi khô ráo để tránh sự tích tụ của nước, ngăn chặn sự hình thành của nấm và vi khuẩn.
Bằng cách tuân thủ những hướng dẫn trên, bạn có thể giúp sen vòi tắm của mình hoạt động hiệu quả và bền lâu hơn.







đánh giá nào
There are no reviews yet.